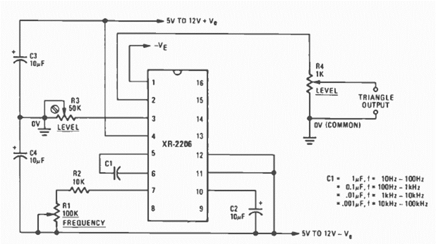
Encontrado en una Radio Electrónica de abril de 1977, este circuito utiliza el conocido XR2206. Los valores de C1 para las diferentes bandas de frecuencia se dan junto al diagrama.
Es un interesante proyecto para ferias de ciencias o aún como base para un trabajo escolar, o aún...
Este diseño diferente utiliza una bobina enrollada en un clavo para generar señales en la faja de...
Este circuito está indicado para demostraciones del principio de funcionamiento de un flip-flop R-S...