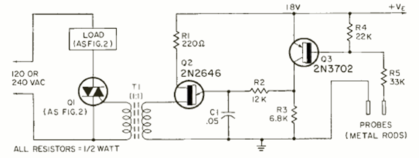
Este circuito es de una revista de Radio Electronics de julio de 1970. Los sensores son sondas metálicas. La fuente de 18 V debe estar aislada de la red eléctrica.
Con la configuración de la figura 1 es posible aumentar la corriente de salida de una fuente con...
Si usted tiene un equipo portátil que opera con 6 V y desea utilizarlo en el coche o conectarlo a una...
El circuito mostrado en la figura 1 es una protección del tipo "Crow Bar" en la que el disparo...