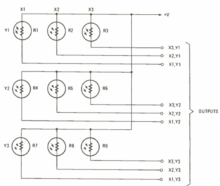
Este circuito de 9 píxeles se implementó con 9 LDR y puede acoplarse a un sistema de procesamiento para un ojo artificial elemental. El circuito es un Radio Electronics de noviembre de 1986.
Es un interesante proyecto para ferias de ciencias o aún como base para un trabajo escolar, o aún...
Este diseño diferente utiliza una bobina enrollada en un clavo para generar señales en la faja de...
Este circuito está indicado para demostraciones del principio de funcionamiento de un flip-flop R-S...