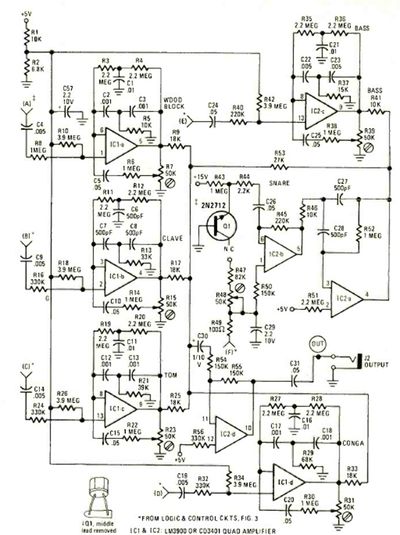
Este circuito de percusión se encontró en la revista Radio Electronics de febrero de 1978. El circuito utiliza un suministro de 3 tensiones y circuitos integrados de la época.
Este es un simple montaje didáctico que se puede realizar sobre la base de un puente de terminales o...
Si usted tiene miedo de conectar los aparatos que usted mismo monta directamente en la toma, pues...
Este oscilador puede generar señales de 100 kHz hasta más de 50 MHz dependiendo del cristal usado y del...