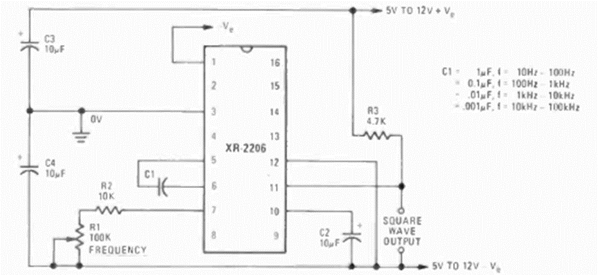
Encontramos este circuito en la revista Radio Electronics de abril de 1977. El circuito genera señales cuadradas en el rango de frecuencia que depende de C1. Los valores se dan al lado del diagrama.
Es un interesante proyecto para ferias de ciencias o aún como base para un trabajo escolar, o aún...
Este diseño diferente utiliza una bobina enrollada en un clavo para generar señales en la faja de...
Este circuito está indicado para demostraciones del principio de funcionamiento de un flip-flop R-S...