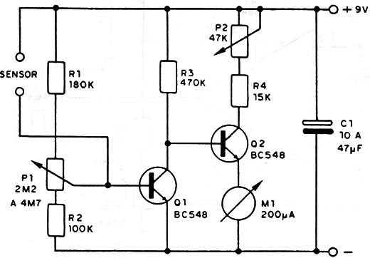
Este aparato puede detectar pequeñas variaciones en la resistencia de la piel. El potenciômetro P1 ajusta Ia sensibilidad y P2 ajusta el fondo de escala de M1 que es un VU común. El sensor consiste en dos placas de metal sobre las que “el interrogado” apoya las manos.




