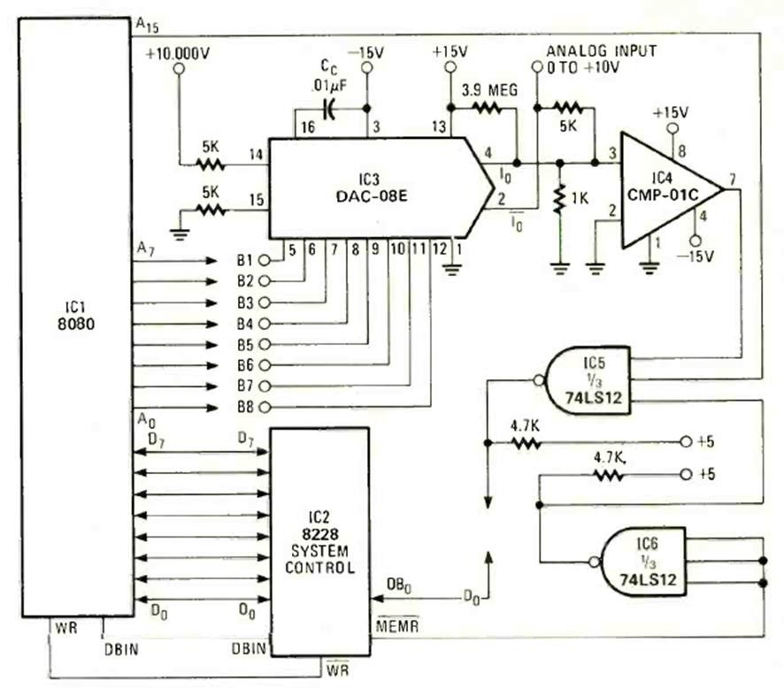
En la figura vemos cómo utilizar un 8080 en un conversor de digital a analógico. El circuito es de una Radio Electrónica de febrero de 1978. Los demás componentes son de la época, excepto el TTL.
En el circuito de la figura tenemos una aplicación de un transistor como oscilador. Para ello,...
La acción rápida de conmutación del 4093 ayuda a obtener un circuito de interruptor nocturno que no se...
La frecuencia de este oscilador depende de los capacitores y valores típicos para los resistores son...