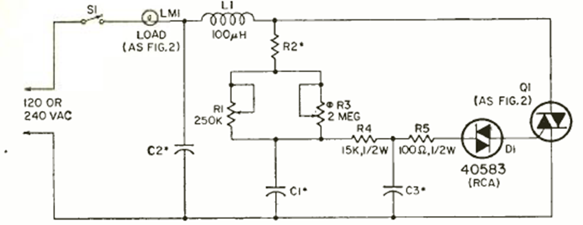
El uso de un diac mejora el rendimiento de los dos atenuadores en los circuitos anteriores. El circuito es de la misma revista Radio Electronics en un artículo que enseña a utilizar triacs.
En el circuito de la figura tenemos una aplicación de un transistor como oscilador. Para ello,...
La acción rápida de conmutación del 4093 ayuda a obtener un circuito de interruptor nocturno que no se...
La frecuencia de este oscilador depende de los capacitores y valores típicos para los resistores son...