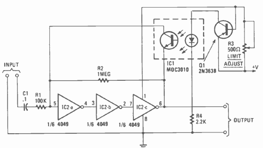
Este circuito es una continuación del anterior, sirviendo como protector contra sobrecargas en amplificadores. El circuito apareció en un artículo de la revista Radio Electronics en enero de 1985.
Este proyecto experimental didáctico muestra cómo es posible implementar con opto-acopladores un flip-flop...
Los pequeños buzzers piezoeléctricos (cerámicos) no poseen mucha potencia sonora, siendo indicados para...
Este oscilador TTL utiliza un resonador cerámico como elemento de fijación de la frecuencia. El...