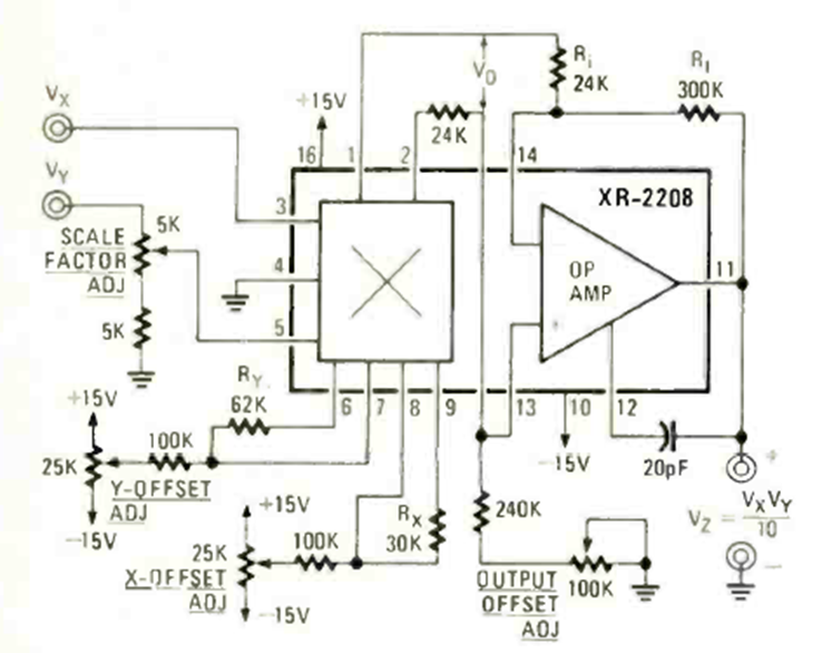
Este circuito de aplicación XR2208 se encontró en la revista Radio Electronics de abril de 1978. El circuito debe alimentarse con una tensión de 15 V y existe un ajuste de compensación.
La prueba de componentes se puede hacer con facilidad con un instrumento denominado probador de...
Esta es la versión más simple que se puede construir de una luz rítmica con lámpara de neón. La...
Con el probador de continuidad simple y sensible que describimos es posible probar componentes básicos...