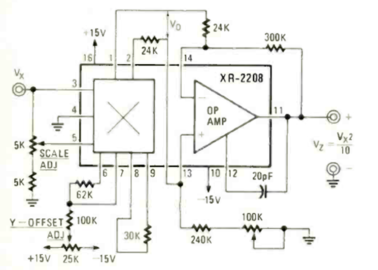
Este circuito con el XR2206 eleva al cuadrado el valor de un voltaje. El circuito fue publicado en la revista Radio Electronics en abril de 1978 y debe ser alimentado por una fuente simétrica de 15 V.
Con este aparato usted puede investigar fuentes de luz moduladas o hasta usar una luz fluorescente...
Este pequeño radio para la banda AM utiliza cuatro transistores con un amplificador complementario para...
Una lámpara fluorescente en la bancada ayuda a ver mucho mejor los detalles de sus montajes, leer...