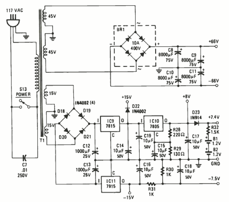
Esta es la fuente de alimentación del amplificador del circuito anterior. Los reguladores de tensión deben estar equipados con un disipador de calor y el transformador debe ser de alta corriente.
La frecuencia máxima de este oscilador, en el caso de 100 kHz, depende del funcionamiento utilizado. La...
Este circuito utiliza un resonador cerámico de 455 kHz u otra frecuencia para fijar su frecuencia de...
El proyecto presentado es interesante, pues permite la determinación de la velocidad de reacción de...