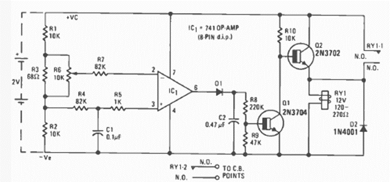
Recomendado para aplicaciones de alarma, este circuito es una modificación del anterior. Lo encontramos en la revista Radio Electronics de diciembre de 1976. El circuito es para coches con baterías de 12 V.
La frecuencia máxima de este oscilador, en el caso de 100 kHz, depende del funcionamiento utilizado. La...
Este circuito utiliza un resonador cerámico de 455 kHz u otra frecuencia para fijar su frecuencia de...
El proyecto presentado es interesante, pues permite la determinación de la velocidad de reacción de...