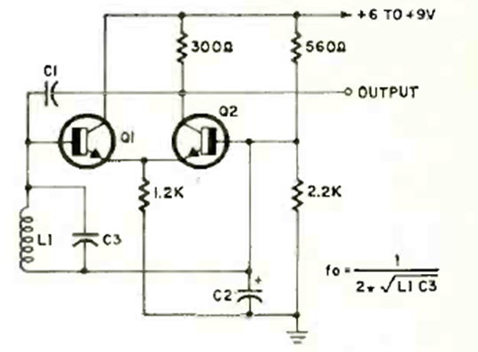
Encontramos este circuito en la revista Radio Electronics de mayo de 1970. La frecuencia máxima depende de los transistores utilizados. La fórmula para calcular la frecuencia se proporciona junto con el diagrama. Los transistores están acoplados por emisor.




