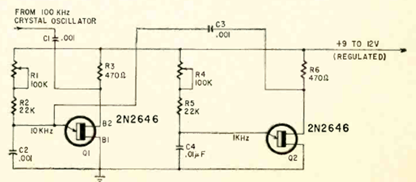
Este circuito de transistor unijuntura es un divisor de frecuencia sincronizado a 100 kHz. El circuito fue encontrado en una Radio Electrónica de julio de 1968. El ajuste de R4 es importante.
El mezclador de dos canales presentado en la figura 1 consiste en la solución ideal para los casos...
Uno de los circuitos reguladores de tensión más tradicionales, bastante antiguos, pero aún en uso...
Este circuito, bastante simple por señal, sirve para la prueba de capacitores de todo tipo en el...