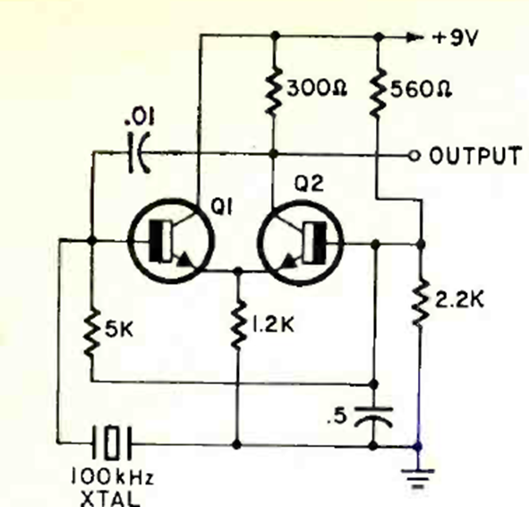
Este circuito oscilador con dos transistores acoplados por emisor y retroalimentación capacitiva se encontró en la revista Radio Electronics de mayo de 1970. Se pueden utilizar cristales de otras frecuencias.

Este circuito oscilador con dos transistores acoplados por emisor y retroalimentación capacitiva se encontró en la revista Radio Electronics de mayo de 1970. Se pueden utilizar cristales de otras frecuencias.
