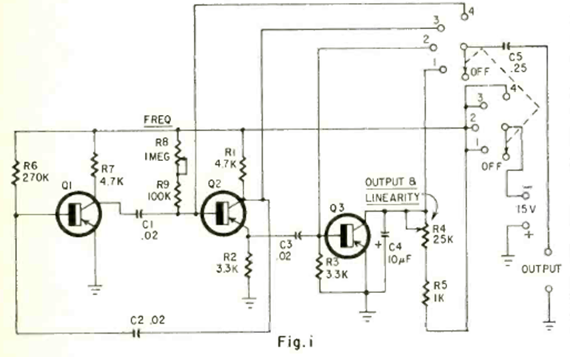
Encontramos este circuito en la revista Radio Electronics de enero de 1970. Los transistores son de propósito general y la frecuencia generada oscila entre 100 Hz y 1 kHz. Los componentes se pueden cambiar a otros rangos de frecuencia.
La fuente de alimentación de 5 V con capacidad de corriente de hasta 1,5 A, mostrada en la figura...
Esta es una broma inofensiva para quien le gusta dar golpes en los demás. Un capacitor cargado, seguro...
Este circuito se puede utilizar en el coche, para mantener la luz de cortesía encendida después de la...