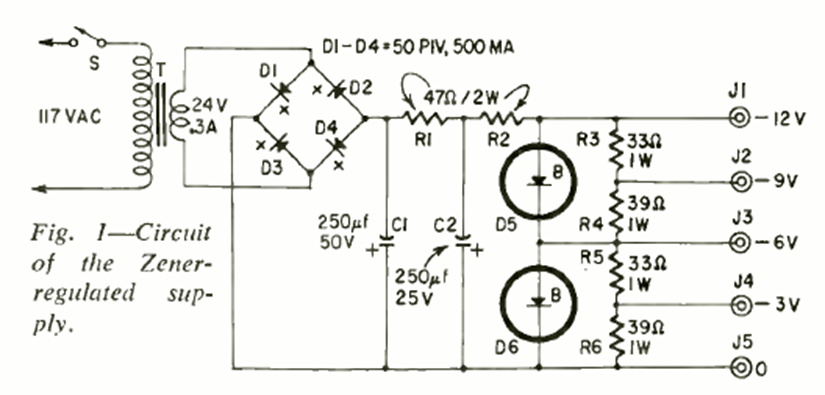
Esta fuente de alimentación de 4 voltajes mediante diodos zener tiene una corriente máxima recomendada de 25 mA. El circuito fue encontrado en la revista Radio Electronics de mayo de 1966.
Este pequeño radio para la banda AM utiliza cuatro transistores con un amplificador complementario para...
Este relé de luz o sobre, según las posiciones del LDR y de P1 es extremadamente sensible, pues utiliza...
Este circuito se puede utilizar en el coche, para mantener la luz de cortesía encendida después de la...