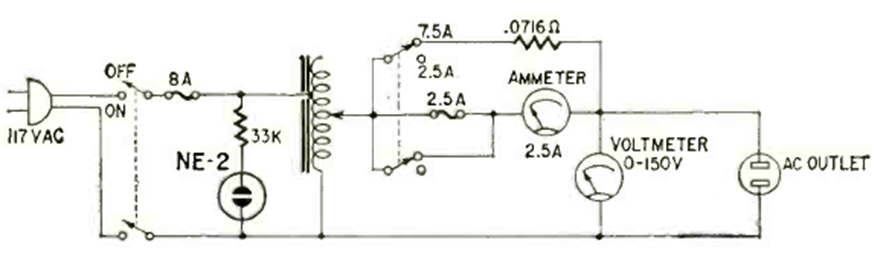
Esta es una fuente simple de tipo variac que se encuentra en la revista Radio Electronics de julio de 1962. La tensión y la corriente dependen del transformador.
Este pequeño radio para la banda AM utiliza cuatro transistores con un amplificador complementario para...
Este relé de luz o sobre, según las posiciones del LDR y de P1 es extremadamente sensible, pues utiliza...
Este circuito se puede utilizar en el coche, para mantener la luz de cortesía encendida después de la...