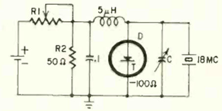
Otro de los muchos posibles osciladores que utilizan diodos túnel. Esta tiene su frecuencia determinada por el cristal. R1 puede ser de 100 a 470 ohms y la fuente de alimentación es una batería común de 1,5 V.

Otro de los muchos posibles osciladores que utilizan diodos túnel. Esta tiene su frecuencia determinada por el cristal. R1 puede ser de 100 a 470 ohms y la fuente de alimentación es una batería común de 1,5 V.
