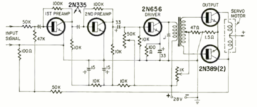
Este circuito es de una Radio Electronics de julio de 1965. El circuito utiliza componentes de la época controlando también un servo de la época. La fuente de alimentación es de 28 V.
Este pequeño radio para la banda AM utiliza cuatro transistores con un amplificador complementario para...
Este relé de luz o sobre, según las posiciones del LDR y de P1 es extremadamente sensible, pues utiliza...
Este circuito se puede utilizar en el coche, para mantener la luz de cortesía encendida después de la...