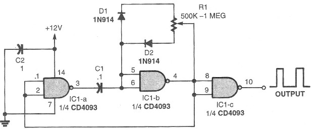
Encontramos este circuito en una publicación americana de los años 90. Genera pulsos que pueden ser modulados en amplitud. La alimentación se puede realizar por tensiones de 5 a 12 V y la frecuencia depende de C1 y C2.

Encontramos este circuito en una publicación americana de los años 90. Genera pulsos que pueden ser modulados en amplitud. La alimentación se puede realizar por tensiones de 5 a 12 V y la frecuencia depende de C1 y C2.
