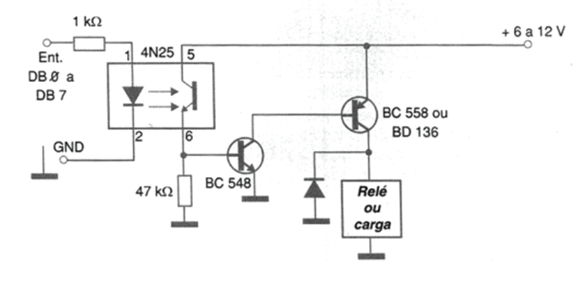
Para controlar relés o motores DC de forma segura con doble aislamiento a través del puerto paralelo, sugerimos el circuito de la figura. El aislador óptico aísla el microprocesador o circuito de PC del circuito de accionamiento del relé, que puede funcionar con un voltaje distinto de 5 V. De hecho, el uso de relés de 12 V puede lograr un mejor rendimiento. Los relés de 12 V son más fáciles de obtener, más sensibles y, por tanto, pueden facilitar el montaje de la interfaz. El valor de la resistencia R1 debe elegirse en función del tipo de acoplador óptico utilizado para obtener el punto de activación ideal con la señal de la puerta. nivel alto. Una posibilidad para encontrar el mejor valor es utilizar un trimpot en el desarrollo del proyecto y luego reemplazarlo con una resistencia fija. Teniendo en cuenta que los relés comunes de 12 V están especificados para una corriente de 50 mA, se debe dimensionar la fuente considerando los momentos en que todos ellos están activados. Por lo tanto, para una interfaz en la que se utilizan las 8 salidas del puerto paralelo, la fuente debe ser capaz de suministrar los 400 mA requeridos.




