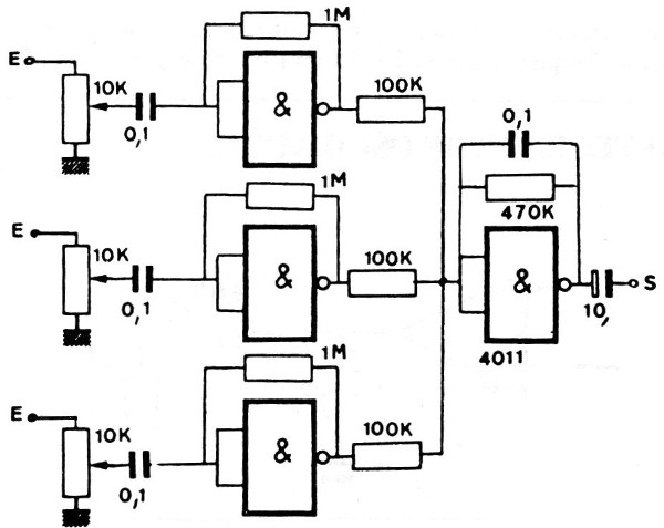
Esta configuración de los años 80 utiliza puertos NAND CMOS tipo A, que presentan respuesta lineal con resistores de realimentación. El circuito es de una documentación de los años 80. La alimentación puede ser hecha con tensiones de 3 a 15 V y los cables de señal deben ser blindados.




