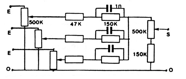
Este simple mezclador pasivo de 3 canales puede usarse con fuentes de señales de baja intensidad, pero requieren una buena amplificación, dada la atenuación. Los potenciómetros pueden ser de valores actuales estandarizados de 470 k ohms y los demás componentes no son críticos. Se requieren blindajes para los cables de señal.