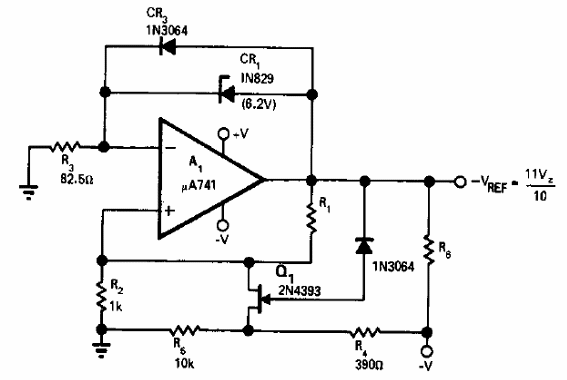
El FET de este circuito de una publicación de 1971 puede ser el BF245. El circuito sirve como referencia de tensión con una salida dada por la fórmula junto al diagrama. La fuente de alimentación debe ser simétrica.

El FET de este circuito de una publicación de 1971 puede ser el BF245. El circuito sirve como referencia de tensión con una salida dada por la fórmula junto al diagrama. La fuente de alimentación debe ser simétrica.
