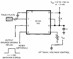
Encontramos en una antigua documentación este modo de usar un 555 como llave de toque monoestable. El circuito no debe ser alimentado por fuente sin transformador. El 7555 (CMOS) es más sensible en este tipo de aplicación.

Encontramos en una antigua documentación este modo de usar un 555 como llave de toque monoestable. El circuito no debe ser alimentado por fuente sin transformador. El 7555 (CMOS) es más sensible en este tipo de aplicación.
