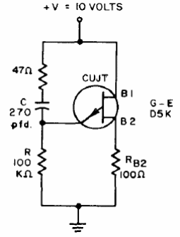
Este circuito, del manual de semiconductores de GE de 1977, utiliza un transistor unijunctura más allá del convencional (CUJT), pudiendo generar señales hasta 50 kHz. Observe el tipo diferente de este componente.

Este circuito, del manual de semiconductores de GE de 1977, utiliza un transistor unijunctura más allá del convencional (CUJT), pudiendo generar señales hasta 50 kHz. Observe el tipo diferente de este componente.
