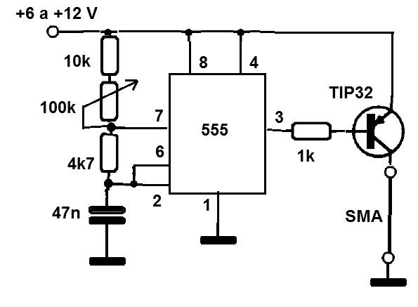
En la figura tenemos una fuente de corriente constante para la aleación de memoria de forma o shape memory alloy (Nitinol). El potenciómetro ajusta la corriente media por anchura de pulso aplicada al SMA. El transistor debe estar provisto de radiador de calor. El circuito es el libro Mechatronics Sourcebook de Newton C. Braga, publicado en los Estados Unidos. transistores de mayor corriente también se pueden usar.




