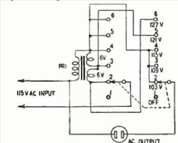
Este es un regulador manual que utiliza un interruptor de palanca y un transformador de tomas múltiples. El circuito es de una revista Radio Electronics de julio de 1957.

Este es un regulador manual que utiliza un interruptor de palanca y un transformador de tomas múltiples. El circuito es de una revista Radio Electronics de julio de 1957.
