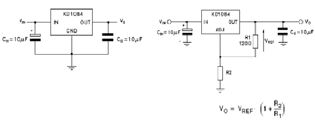
ST microelectrónica ha en su gama de reguladores lineales de baja caída de tensión KD1084xx (fijo) y KD1084Axx (ajustable), con capacidad para suministrar corrientes de hasta 5 A. Con 5 l de corriente de salida, la caída de tensión en tales dispositivos es 1.3 V. las tensiones de salida disponibles en fijos y ajustables son 1,8 V, 2,5 V y 3,3 V de salida con una tolerancia de 1%. Los dispositivos se proporcionan en cubiertas TO-220, DPAK y D2PAK. En la figura tenemos los circuitos de aplicación típicos para las versiones tensión fija y la tensión ajustable. Para determinar la tensión ajustable tenemos la fórmula para calcular el divisor que determina el voltaje de salida. La tensión de entrada máxima es de 12 V.




