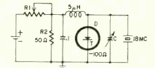
Este oscilador controlado por cristal puede generar otras frecuencias dependiendo del cristal utilizado. El circuito se encontró en una radio electrónica de septiembre de 1953. El voltaje de la batería es de 1,5 V y R1 de 500 ohms.

Este oscilador controlado por cristal puede generar otras frecuencias dependiendo del cristal utilizado. El circuito se encontró en una radio electrónica de septiembre de 1953. El voltaje de la batería es de 1,5 V y R1 de 500 ohms.
