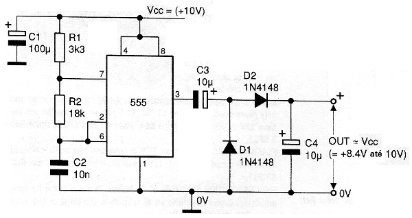
Esta configuración tradicional con el 555 se puede encontrar en otros artículos del sitio del autor. Esta es una documentación de 1998. La tensión de salida es casi el doble de la tensión de entrada de hasta 15 V. La corriente es demasiado baja, del orden de unas pocas decenas o cientos de microamperios. El circuito utilizado para aplicaciones de muy baja potencia.




