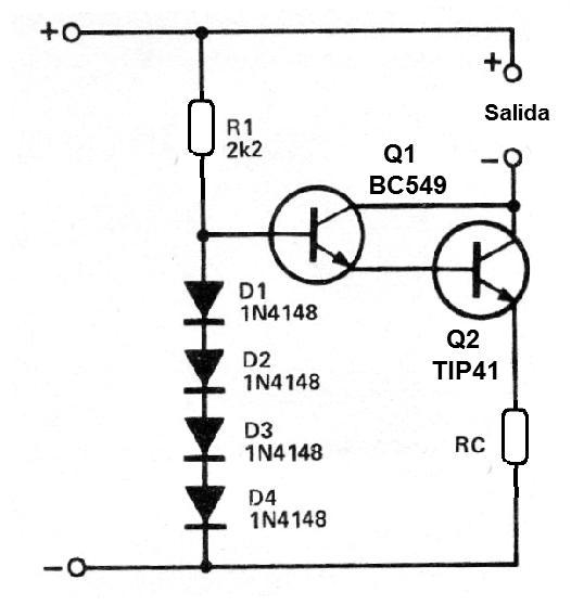
Esta fuente de corriente constante, de una publicación 1980, se puede utilizar en un cargador de batería. El transistor Q1 puede ser el BC548 y la tensión de entrada debe ser mayor que corriente de la carga en la batería. Rc se encuentra dividiendo 1500 mA lea corriente que se desea a la salida. Por ejemplo, para 300 mA, tenemos 1500/300 = 5 ohmios. El transistor Q2 debe estar provisto de radiador de calor. La corriente máxima recomendada de 2.




