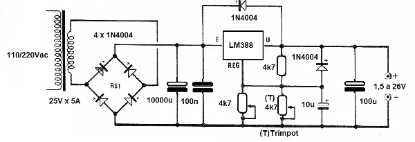
Esta fuente útil de potencia se encuentra en una publicación italiana de1985, pero todavía se puede montar, con cambios de menor importancia, ya que la mayoría de los componentes son comunes. El regulador de tensión integrado se debe montar en buen radiador de calor y el secundario del transformador es de 5 A. El primario es de acuerdo con la red de energía.




