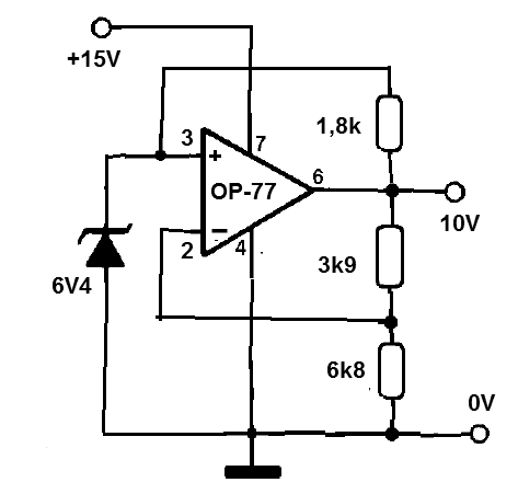
En la figura tenemos una referencia de tensión de alta estabilidad, proporcionando una tensión de 10 V e de salida sustancialmente independiente de las variaciones de tensión de entrada. La corriente en el diodo Zener es solamente de 2 mA valor dado por R1. Así para que la estabilidad se mantenga en esta fuente, la resistencia debe ser de tipo 5 ppm / ° C y el diodo deben tener una proporción de 1 ppm / oC.




