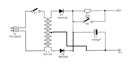
Este circuito sirve para alimentar pequeñas perforadoras de 12V utilizados en placas de circuito impreso y mismos los servicios grabación, placas, etc. El transformador tiene secundario 12 V x 2 A y el resistor sirve para bajar para una posición de menor corriente cuando el interruptor S2 está abierto.




