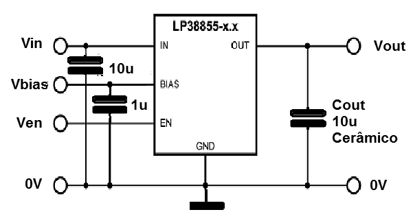
Diseñado para aplicaciones de batería accionado con voltajes de salida de 0,8 V a 1,2 V el regulador que se describe basan en el circuito integrado LP38855-x.x donde x.x determina el voltaje de salida requerido para la aplicación. Esta tensión puede ser 0,8 o 1,2 V. Los voltajes de polarización pueden estar entre 3,3 V y 5,5 V, que permite su uso con los microcontroladores. En la figura es la aplicación típica de este circuito regulador. El circuito es estable con capacitores cerámicos de 10 uF y el circuito integrado está disponible en cubiertas TO-220, TO-5 o A-263. La caída de tensión a través del circuito integrado regulador es solamente 1,5 mV con una A. El circuito con corriente de carga de 1,5 V es sugerido por National Semiconductor, que ahora es una empresa del grupo de Texas Instruments.




