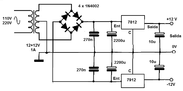
Encontramos este circuito en una Radio Electrónica de julio de 1984. Es la fuente tradicional en versión de 1 A, con los reguladores positivos y negativos 7812 y 7912. El transformador puede tener 12 o 15 V de secundario e los integrados deben ser montados en radiador de calor. Con el uso de otros reguladores tales como 7806, 7808 o 7815 pueden obtener otras tensiones, recordando siempre que el secundario del transformador debe haber al menos 2 V más alta que la salida en caso de tensiones inferiores a 12 V. cuidado de que el terminal de medio ambiente en 7912 no es la tierra.




