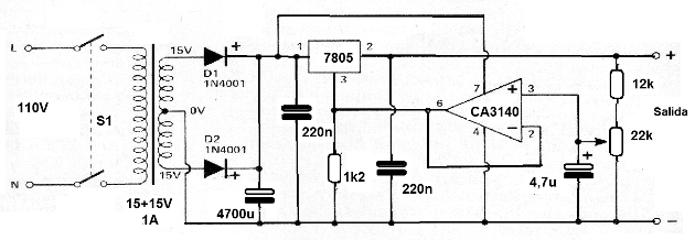
Esta fuente ajustable se encontró en una documentación de 1979, pero todos los componentes son comunes hasta hoy. El circuito integrado debe ser montado en el radiador de calor y el secundario del transformador tiene 1 A. El ajuste de la tensión de salida se hace en P1. El secundario del transformador debe tener 15 + 15 V con una corriente de 1 A.




