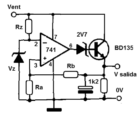
Este circuito consiste en un regulador de tensión para batería de 6 V con una caída de tensión muy baja. El transistor debe estar montado en disipador de calor y el BD135 es para una corriente máxima de 500 mA. El BC548 se puede utilizar para corrientes de hasta 50 mA. La tensión de entrada debe ser de al menos 3 V más alta que la tensión de salida deseada. La tensión de salida está dada por Vz (Rb / Ra + Rb) y Rz depende de la tensión de entrada y la tensión zener para el zener tenga una corriente da orden de 1 mA.




