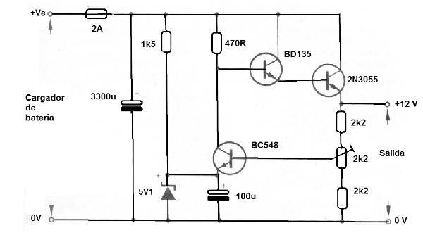
Los cargadores de baterías de 12 V proporcionan una mayor tensión no regulada. Presentado con el regulador, obtenido a partir de una revista inglesa de 1976 es posible obtener una fuente de 12 V a partir de un cargador de batería 12 V. El circuito puede estar equipado con componentes modernos y cambios que hemos hecho. Los restantes componentes son comunes y se debe dotar el 2N3055 de disipador de calor. La corriente máxima indicada es del orden de 2 A. El capacitor de 3 000 uF puede ser 3 300 uF o 4,700 uF.




