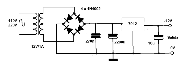
Este circuito se encontró en una Radio Electrónica de julio de 1984. Es la fuente tradicional de versión de 1 A, con regulador negativo 7912. El transformador puede tener 12 o 15 V de secundario y el circuito integrado debe estar provisto de radiador de calor. Tenga en cuenta que la salida es de voltaje negativa. Esta fuente junto con fuentes anteriores puede resultar en una fuente simétrica, si lo tiene en común. Tenga en cuenta que el terminal 7912 en el segundo (medio) no es tierra. Ver la ficha técnica antes del montaje.




