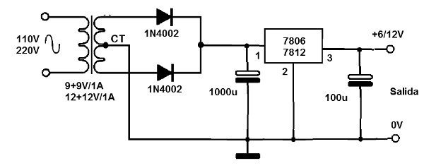
Esta es la configuración tradicional de una fuente de 6 o 12 V con circuitos integrados 7806 y 7812, para una corriente máxima de 1 A. Lo circuito integrado debe estar provisto de radiador de calor y la corriente máxima de salida es 1 A, y se da por la corriente máxima del secundario del transformador utilizado. El capacitor electrolítico debe ser al menos de 12 V para la fuente de 6 V y al menos de 25 V para la fuente de 12 V.




