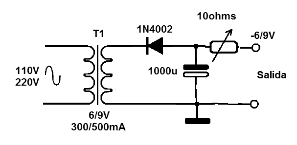
Esta fuente de alimentación no regulada sencilla con rectificación de media onda es para pequeños dispositivos que no requieren una tensión absolutamente fija. El transformador puede ser de 6 a 9 V y los diodos 1N4002. El potenciómetro de alambre ayuda a regular la tensión en la carga de modo que sea lo más cerca posible de lo que se desea. El transformador puede tener de 300 a 500 mA de corriente.




