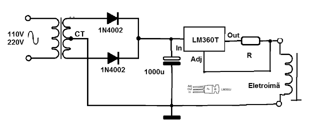
El propósito de este circuito es proporcionar una corriente constante a un electroimán experimental. La corriente hasta 3A se obtiene por R que se calcula dividiendo 1,25 por la intensidad deseada. El circuito integrado debe ser montado en radiador de calor y los diodos tienen una corriente máxima de 1 A. El circuito es de un libro de Newton C. Braga. La tensión de transformador debe ser de 12 a 15 V con una corriente de 3 A, o de acuerdo con el máximo calculado para el electroimán alimentado.




