Este circuito es una versión del anterior, pero con control de onda completo. Los diodos deben ser acordes a la potencia de la lámpara. El circuito es para lámparas incandescentes.

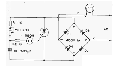
Atenuador de onda completa
Este circuito es una versión del anterior, pero con control de onda completo. Los diodos deben ser acordes a la potencia de la lámpara. El circuito es para lámparas incandescentes.
