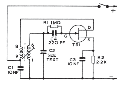
Este circuito oscilador de alta frecuencia variable se encontró en una documentación inglesa antigua. El JFET puede ser de cualquier tipo de propósito general.

Marcador sintonizable
Este circuito oscilador de alta frecuencia variable se encontró en una documentación inglesa antigua. El JFET puede ser de cualquier tipo de propósito general.
