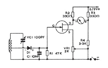
Encontrado en documentación inglesa antigua, este circuito evalúa la potencia de un transmisor. El circuito tiene bobina según frecuencia y el instrumento debe ser de 50 o 100 uA con cero en el centro de la escala.

Vatímetro de absorción
Encontrado en documentación inglesa antigua, este circuito evalúa la potencia de un transmisor. El circuito tiene bobina según frecuencia y el instrumento debe ser de 50 o 100 uA con cero en el centro de la escala.
