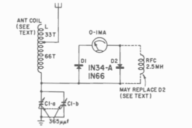
Encontrado en una documentación de Gernsback de la década de 1960, este circuito fue diseñado para la banda de onda corta. Se puede cambiar cambiando la bobina.

Medidor de intensidad de campo
Encontrado en una documentación de Gernsback de la década de 1960, este circuito fue diseñado para la banda de onda corta. Se puede cambiar cambiando la bobina.
